康美醫院網站|聯系我們
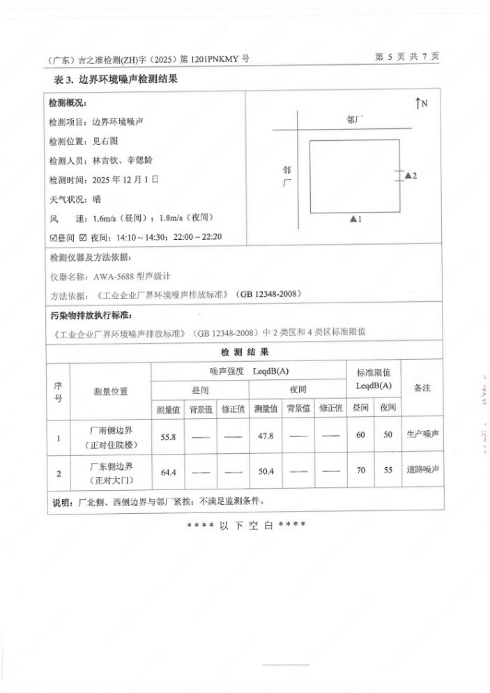
2025年第四季度檢測報告
您現在的位置是:康美醫院網站 > 信息公開 > 環境監測信息 > 2025年第四季度檢測報告

2025年第四季度檢測報告










醫院地址:廣東省普甯市流沙新河西路38号 郵政編碼:515300 聯系電話:0663-2787777 傳真号碼:0663-2767511

Copyright © 2011 康美醫院. All rights reserved. 京ICP證000000号醫療機構執行許可證:07190114-844528190A1001

普甯宏圖網絡